Contalitri Digitale DigiFlow 8000T Tempo–Portata con Allarme – Litri/Galloni – Attacchi 3/8″ MNPT
Grazie al display LCD con segnalazione lampeggiante e allarme acustico, avvisa quando viene raggiunta la capacità impostata del filtro, facilitando la manutenzione programmata degli impianti di filtrazione e depurazione.
Funziona con 2 batterie AAA alcaline, con autonomia media di circa 12 mesi. In caso di batterie scariche o rimosse, lo strumento memorizza automaticamente gli ultimi dati elaborati.
Caratteristiche tecniche
-
Tipo di misura: Tempo–Portata
-
Unità di misura: Litri / Galloni
-
Rilevazione: Portata istantanea
-
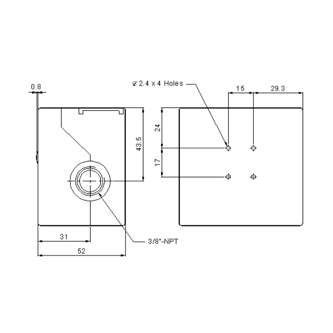
Attacchi ingresso/uscita: 3/8″ MNPT
-
Display: LCD con segnalazione lampeggiante
-
Allarme: Acustico a fine capacità filtro
-
Alimentazione: 2 batterie AAA alcaline
-
Autonomia batterie: circa 1 anno
-
Memoria dati: automatica in caso di batterie scariche o rimosse
-
Accensione automatica: al passaggio dell’acqua
-
Spegnimento automatico: dopo 10 secondi senza flusso
Istruzioni d’uso
Installazione batterie
Far scorrere il coperchio del vano batterie, inserire 2 batterie AAA e richiudere.
Programmazione capacità filtro
-
Tenere premuto DISPLAY, poi premere RESET e rilasciare entrambi i tasti
-
Il DigiFlow 8000T entra in modalità programmazione
-
Sul display lampeggia due volte il numero 1 (filtro 1), poi compare la capacità
Premere DISPLAY per selezionare la capacità:
-
Modello galloni:
100 – 200 – 300 – … – 9800 – 19900 – OFF – 0 – 100 -
Modello litri:
500 – 1000 – … – 99500 – OFF – 500
Tenendo premuto DISPLAY si accelera la selezione.
Premere RESET per salvare.
Il sistema passa automaticamente al filtro successivo (fino a 5 filtri).
Se non ci sono input per 10 secondi, il dispositivo torna allo stato normale.
Operazioni
-
Accensione automatica al passaggio dell’acqua
-
Spegnimento automatico dopo 10 secondi senza flusso
-
Premere DISPLAY per visualizzare il volume d’acqua passato
-
Premere nuovamente DISPLAY per visualizzare la capacità residua del filtro
Allarme fine capacità
Quando il filtro raggiunge 0, viene emesso un segnale acustico.
Premere RESET per disattivare l’allarme e ripristinare la capacità.
Allarme batteria scarica
Un doppio bip segnala batterie in esaurimento.
I dati restano memorizzati anche con batterie completamente scariche o rimosse.
Reset contalitri
Tenere premuto RESET per 8 secondi.



















Recensioni
Ancora non ci sono recensioni.